
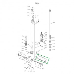
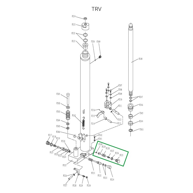
Тормозной механизм в сборе для TRV
| Для серий | TRV |
| Грузоподъемность техники, кг | 1000 |
| Грузоподъемность техники, кг | 1500 |
| Грузоподъемность техники, кг | 2000 |
Ремкомплект гидроузла для TRV1516
| Для серий | TRV |
| Грузоподъемность техники, кг | 1500 |
| Для серий | TRV |
| Грузоподъемность техники, кг | 2000 |
Тяга цепная в сборе для ручки TRV
| Для серий | TRV |
| Грузоподъемность техники, кг | 1000 |
| Грузоподъемность техники, кг | 1500 |
| Грузоподъемность техники, кг | 2000 |
| Для серий | TRV |
| Грузоподъемность техники, кг | 1000 |
| Грузоподъемность техники, кг | 1500 |
| Грузоподъемность техники, кг | 2000 |
Ремкомплект гидроузла для MS1016
| Для серий | MS |
| Грузоподъемность техники, кг | 1000 |
Просто оставьте заявку, наши специалисты свяжутся с вами в ближайшее время и ответят на все интресующие вопросы, а так же помогут с подбором техники.
Гарантия на погрузчики с ДВС составляет от 2 лет или 4000 м/ч
Осуществляется транспортными компаниями по всей территории РФ
Оплата производится безналичным переводом с НДС








